產品參數
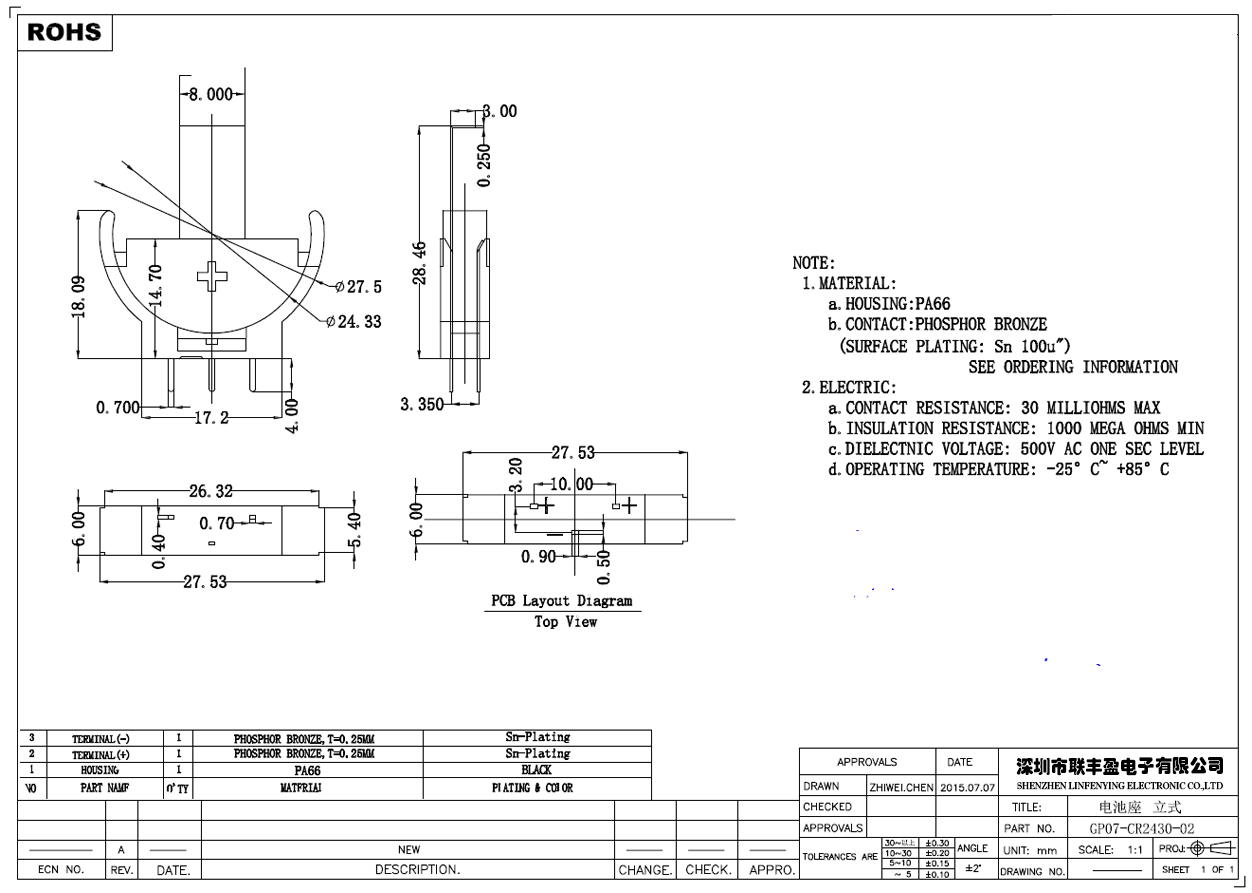
塑膠材質:1A=PBT BLACK ,1B=PA66 BLACK ,2A=PPA BROWN ,2B=PPA BLACK ,3A=PPS BROWN ,3B=PPS BLACK ,4A=LCP WHITE ,4B=LCP BLACK
電鍍處理:A=Au1U" ,J=Ni100U" ~120U" ,K=SN100U" ~120U"
五金材質:磷青銅
使用溫度:-25℃~+85℃


全國服務電話:0755-23003080 聯系手機:13380318687 QQ:310093919 微信:310093919
公司地址:深圳市寶安區西鄉街道鐵崗社區寶田一路360號嘉皇源商業大廈
Copyright © 深圳市聯豐盈電子有限公司 版權所有 粵ICP備19070498號

